25+ Regulator Mobil Avanza, Inspirasi Top!
Juni 27, 2021
ic regulator avanza, regulator power window avanza, harga kiprok mobil avanza,
25+ Regulator Mobil Avanza, Inspirasi Top! - Penggemar modifikasi yang budiman, kehadiran mobil maupun motor banyak dinantikan, apaplagi peminat modifikasi otomotif terutama modifikasi mobil yang semakin banyak digemari bagi kalangan anak muda di indonesia. Seakan hobi yang tidak ada matinya untuk penyuka variasi dan modif mobil maupun motor yang baru, klasik, tua atapun balap. Kamu dapat merombak, tampilan modifikasi mobil sesuai dengan karakter dan gaya yang di inginkan. Ide dan inspirasi untuk modifikasi mobil maupun motor keren harus dipikirkan matang-matang. Jika bingung, kalian bisa mencoba berbagai ide dan inspirasi yang akan kita kemukakan.
Kami akan menyajikan pembahasan tentang modifikasi mobil, tentu hal yang sangat menarik untuk disimak, karena mempermudah kamu untuk membuat modifikasi mobil semakin menawan. Informasi yang dapat kami sampaikan kali ini terkait modifikasi mobil dengan judul artikel 25+ Regulator Mobil Avanza, Inspirasi Top! berikut ini.

Our Automotive World Komponen Alternator Mobil dan Fungsinya Sumber Gambar : maotomotip5120.blogspot.com

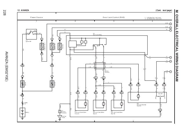
Wiring Diagram Ac Mobil Avanza Sumber Gambar : wiringdiagramall.blogspot.com

Jual regulator preasure fuel pump toyota avanza daihatsu Sumber Gambar : www.bukalapak.com

Avanza Window Regulator Komarudin Toko Spare Part Online Sumber Gambar : tokopart.blogspot.com
Altenator Schematic Diagram teknologi241 Sumber Gambar : teknologi241.blogspot.com

Harga Pasang Audio Mobil Pecinta Dunia Otomotif Sumber Gambar : otolovermodif.blogspot.com
DIAGRAM Wiring Diagram Sistem Mobil FULL Version HD Sumber Gambar : pvdiagramshannono.carnevalecampagnolo.it

Harga Spesifikasi Sport Shot Rear Axle Shaft For Toyota Sumber Gambar : spekharga.cokoladaforum.com

Cara Ganti Cut Out Dengan Ic Regulator Carles Pen Sumber Gambar : carlespen.com
Buy Sell Seychelles Buy Sell 22 Wednesday 01 June Sumber Gambar : m.facebook.com

Jual kaki mesin corona absolute tahun 96 manual Kota Sumber Gambar : www.tokopedia.com
ic regulator avanza, regulator power window avanza, harga kiprok mobil avanza,

Wiring Diagram Power Window Xenia Sumber Gambar : farzybuzzy.blogspot.com